您的位置:首页 >时间继电器的原理和电路图介绍
发布于2025-02-04 阅读(100)
扫一扫,手机访问
洗衣机控制器
1.
设计任务
设计制作一个洗衣机的正反转定时控制线路。
2.具体要
1)控制洗衣机的电机作如下运转
定时开始――正转10S――暂停5S――反转10S――暂停5S――定时到停止
↑←——
定时未到
——
——
——
—←↓
2)用2位七段数码管显示定时时间(S)。
3.
报告要
1.)说明整个系统的工作原理并画出各部分电路图。
2.)总结在调试中出现的问题及解决方法。
这是弱电定时控制部分,压控开关可用继电器代替。该电路有个缺点,就是在开机未设置时间的情况下,按开始键就会从99开始计时,不知道哪位高手可以解决这个问题。
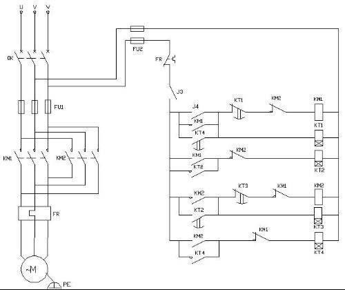
洗衣机的主电机是用三相异步鼠笼式电机实现的。只是供您参考用,希望能帮你解决问题,


时间继电器的工作原理:时间继电器是一种利用电磁原理或机械原理实现延时控制的控制电器。当线圈通电时,衔铁及托板被铁心吸引而瞬时下移,使瞬时动作触点接通或断开。
但是活塞杆和杠杆不能同时跟着衔铁一起下落,因为活塞杆的上端连着气室中的橡皮膜,当活塞杆在释放弹簧的作用下开始向下运动时,橡皮膜随之向下凹,上面空气室的空气变得稀薄而使活塞杆受到阻尼作用而缓慢下降。
经过一定时间,活塞杆下降到一定位置,便通过杠杆推动延时触点动作,使动断触点断开,动合触点闭合。从线圈通电到延时触点完成动作,这段时间就是继电器的延时时间。延时时间的长短可以用螺钉调节空气室进气孔的大小来改变。吸引线圈断电后,继电器依靠恢复弹簧的作用而复原。
时间继电器接线图
1、控制接线:你把它看成直流继电器来考虑。3、7用来接12V控制电压;2、7用来接24V控制电压。其中的7当成直流电的负极,使用时接到零线。2接220V的火线。
2、工作控制:虽然控制电压接上了,但是是否起控制作用,由面板上的计时器决定。
3、功能理解:它就是一个开关,单刀双掷的,有一个活动点活动臂,就像常见的闸刀开关的活动刀臂一样。8是活动点,5是常闭点,继电器不动时,他们两个相连。动作时,8、6相连。
4、负载接线:电源的零线或负极接用电器的零线或负极端。电源的火线或正极接8脚,用电器的火线端或正极接6脚,5脚空闲不用。
5、工作原理:计时无效期间,8、5相连,相当于我们平常电灯开关断开状态。有效时,继电器动作,8、6相连,用电器的电工作,相当于我们平常电灯开关接通状态。

扩展资料
时间继电器种类:
1、空气阻尼式时间继电器:又称为气囊式时间继电器,它是根据空气压缩产生的阻力来进行延时的,其结构简单,价格便宜,延时范围大(0.4~180s),但延时精确度低。
2、电磁式时间继电器:延时时间短(0.3~1.6s),但它结构比较简单,通常用在断电延时场合和直流电路中。
3、电动式时间继电器:原理与钟表类似,它是由内部电动机带动减速齿轮转动而获得延时的。这种继电器延时精度高,延时范围宽(0.4~72h),但结构比较复杂,价格很贵。
4、晶体管式时间继电器:又称为电子式时间继电器,它是利用延时电路来进行延时的。这种继电器精度高,体积小。
参考资料来源:百科-时间继电器
下一篇:如何设置Maven环境变量
售后无忧
立即购买>office旗舰店
售后无忧
立即购买>office旗舰店
售后无忧
立即购买>office旗舰店
售后无忧
立即购买>office旗舰店
正版软件
正版软件
正版软件
正版软件
正版软件
1
2
3
4
5
6
7
8
9