商城首页欢迎来到中国正版软件门户

您的位置:首页 >富士变频器端子启动与调速方法

富士变频器端子启动与调速方法

  发布于2025-06-29 阅读(100)

扫一扫,手机访问

富士MEGA变频器以其强大功能和多样控制方式而著称,具有超负荷耐受能力和快速响应特性。该变频器还配备了维护预警功能,确保长时间稳定运行。适用于风机、泵等多种设备,提供从0.4KW到710KW的丰富机型,满足各种应用需求。特别强调其环保性能,使其成为市场上备受瞩目的高性能变频器。

富士变频器端子启动,模拟量/电位器调速的方法今天我们将详细介绍富士MEGA系列变频器的模拟量设定方法。

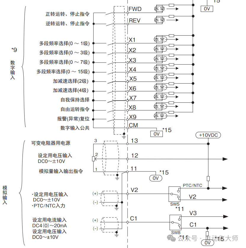
1、硬件连接

由于我们采用端子启动和模拟量设定,需要连接的端子包括FWD和CM用于正转启动,REV和CM用于反转启动,11-12-13用于电位器调速,V2和11用于模拟电压或热电阻输入,C1和11用于模拟电压或电流输入。

富士变频器端子启动,模拟量/电位器调速的方法2、 参数设定

基本操作步骤:

富士变频器端子启动,模拟量/电位器调速的方法进入和修改参数的步骤切换到P模式首先,按下PRG/RESET键,直到屏幕显示P模式(Program模式)。选择参数在P模式下,使用上下键(可能是,或屏幕上的箭头按钮)来浏览不同参数。屏幕会显示当前选中的参数编号或名称。进入参数修改模式按下FUNC/DATA键,进入参数修改模式。在此模式下,可以调整当前选中参数的值。修改参数值 修改时,屏幕会显示新的参数值。请确保输入的值在设备的允许范围内。

保存修改完成参数修改后,再次按下FUNC/DATA键保存修改。退出参数设定如果需要退出参数设定模式,可以再次按下PRG/RESET键,或重启设备。设定电机初始参数:

根据电机铭牌设定P01、P02、P03参数

富士变频器端子启动,模拟量/电位器调速的方法依次设定基准频率及电压(默认无需设定)

富士变频器端子启动,模拟量/电位器调速的方法操作方式设定:

在本例中,我们采用端子启动和模拟电压输入,参考以下参数设定:

F02(运行操作旋转)=1 外部信号F01(频率给定)=1 模拟电压输出

富士变频器端子启动,模拟量/电位器调速的方法3、 运行

连接FWD端子,变频器将启动。

通过调整输入电压值,可以改变输出频率。

本文转载于:https://cloud.tencent.com/developer/article/2444547 如有侵犯,请联系zhengruancom@outlook.com删除。
免责声明:正软商城发布此文仅为传递信息,不代表正软商城认同其观点或证实其描述。

热门关注